Vom Stromlaufplan zum Leiterplattenlayout (1)
Mein Artikel aus dem Embedded Journal von 2010/2011 in 5 Teilen
Der Stromlaufplan
Als Basis für das Leiterplattenlayout ist zunächst der Stromlaufplan zu sehen, der aus der eigentlichen Idee entsteht. Der
Stromlaufplan ist das Abbild der elektrischen Funktion und dient gleichzeitig als Dokument. Obwohl der Stromlaufplan
keine Hinweise über Bauteilegrößen angibt, sind Vorabinformationen in dieser Richtung allerdings oft notwendig.
Bedingt durch die o.g. Eigenschaften sollte man jede Änderung im Projekt vom Stromlaufplan her vornehmen. Das Verwenden
von Versionsnummern (inkl. Name und Datum) ist notwendig, um Weiterentwicklungen (Änderungen) zu dokumentieren.
Auch im Hobbybereich erweisen sich Versionsnummern als nützlich, wenn Erweitertungen oder Veränderungen anstehen.
(Die Vergabe von Versionsnummern gilt auch für Software. Man stelle sich vor, Bill hätte keine Versionsnummern
für seine Software vergeben, dann würde seine Firma wohl nicht mehr existieren*...)
Einige Richtlinien/Regeln
Da der Stromlaufplan eine technische Zeichnung ist, sind einige Richtlinien zu beachten. Einige seien hier genannt :
• Verwenden von standardisierten Symbolen wie Widerstände, Kondensatoren, Transistoren, Dioden etc.
• Lesbarkeit des Stromlaufplans
• Aufteilung in Funktionsblöcke
• Generell nur horizontale oder vertikale Verbindungslinien zeichnen. Schräg gezeichnete Verbindungslinien sind No-Gos,
also unbedingt vermeiden (Außnahmen bestätigen die Regel). Verbindungslinien über Bauteile sind ebenfalls nicht erlaubt.
• Verbindungsknoten bei Verbindungen setzen (Junctions). Kreuzungen, die keine Junction haben, sind auch nicht
miteinander verbunden.
Zur guten Lesbarkeit des Stromlaufplans gehört z.B. auch das Verwenden von Symbolen für die Spannungsversorgung "+5V", "VCC", "GND" usw.
Das Zeichnen von Netzen um den gesamten Stromlaufplan herum macht diesen oft nicht lesbar, oder es ist sehr mühselig zu
erkennen, welche Bauteilepins an den verschiedenen Netzen angeschlossen sind. Deshalb können auch normale Signalleitungen
ggf. mit einem (sinnvollen) Namen und einem Label versehen werden.
Bauteilenamen und -werte sind selbstverständlich, auch das Kennzeichnen einer speziellen weiteren Eigenschaft des Bauteils
(z.B. Spannung (Elko), Temperaturbereich (IC), Toleranz (Widerstand, Kondensator) etc.) ist oftmals notwendig. Das Verwenden
von Bussymbolen ist ebenfalls sinnvoll und gut (Digitalelektronik: Adress-, Daten-, Steuerbus usw.).
Bei komplexen Projekten sollte es eine Aufteilung in Funktionsblöcke geben. Beispiele:
• Spannungsversorgung (Spannungsregler und dazugehörige Bauteile)
• Analoge und digitale Interfaces (OpAmps und dazugehörige Bauteile)
• Zentrale Bauteile wie Mikrocontroller etc.
Wird der Stromlaufplan sehr groß, sollte dieser auf mehrere Blätter verteilt werden.
Beispiel
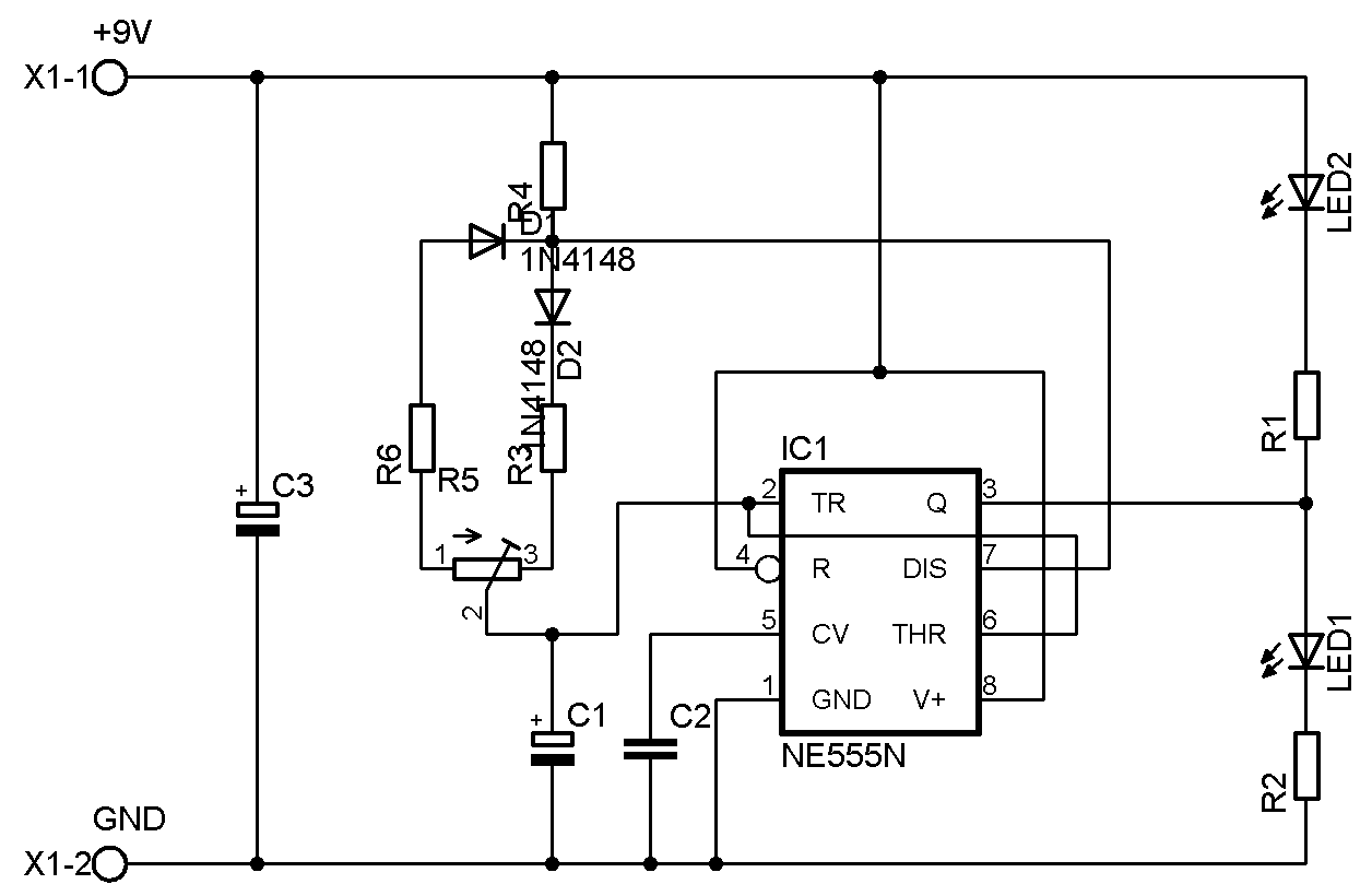
Dieses einfache Beispiel mit dem NE555 sei gegeben:

Folgende Punkte sind zu bemängeln:
• Es fehlen die Werte für fast alle Standardbauteile (LEDs, Rs, Cs)
• Teilweise sind die Bauteilenamen in den Verbindungslinien (R4, D1, 1N4148)
• Es werden kaum Spannungsversorgungssymbole verwendet (+9V und GND)
• Verbindungslinien werden durch das Bauteil gezogen (Pin 2 und 6)
• Es fehlt die Versionsnummer, Namen der beteiligten Entwickler, Datum usw.
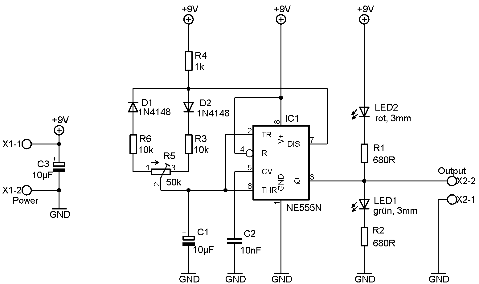
Auch der Timer 555 ist vom Symbol her eher suboptimal erstellt worden. Dadurch entstehen unnötige, lange Verbindungen zu den externen Bauteilen (Pin 6,7). Auch Pin 8 (V+) liegt an einer unmöglichen Stelle, daher sollte das Bauteil umgezeichnet werden. Bedingt durch die o.g. Punkte ist die Funktionalität des NE555 nicht zu erkennen. (klar, es ist die astabile Kippstufe...) Noch ein weiterer Hinweis: Es ist nicht das Ziel beim Stromlaufplan, Kreuzungen zu vermeiden. Bei kleinen Schaltungen geht das vielleicht, bei größeren Projekten ist das unmöglich. Durch die Modifikation des NE555 und die Änderung der genannten Mängel kann der Stromlaufplan wie folgt aussehen:

Die Schraubklemme X2 (Output) wurde hinzugefügt, so dass dieser Umstand auch dokumentiert werden sollte. Zwei Dinge sind noch anzusprechen:
A) Spannungsversorgungssymbole: Wie man erkennen kann, werden Symbole mit positiver Spannung (hier +9V) möglichst nach oben gezeichnet, während GND (Masse) eher auf der unteren Seite liegt. Wenn man z.B. Operationsverstärker mit einer +/- Spannung versieht, so zeigen die negativen Spannungssymbole nach unten.
B) Wie oben bereits erwähnt, gibt es auch in der Abbildung 2 keine Versionsnummer, Namen oder das Erstelldatum. Ratsam und sinnvoll ist in jedem Fall ein Rahmen, in dem dann die Parameter eingetragen werden (Abb. 3).

ERC – Electrical Rule Check
Nach Fertigstellung des Stromlaufplans darf der ERC nicht fehlen. Dieser Check deckt eventuelle Ungereimtheiten im Strom- laufplan auf, z.B. nicht angeschlossene Netze, offene Eingangspins, fehlende Junction, Überlappungen von Netzen usw. auf. Je nach Schwere der Fehler oder Warnungen muss man selbst entscheiden, ob diese behoben werden müssen oder nicht. Die hier erscheinende Meldung (V+ - Pin des NE555 an +9V angeschlossen ) kann ignoriert werden, da dies so gewollt ist. An- ders sieht es z.B. bei fehlenden Anschlüssen für die Spannungsversorgung aus, solch ein Fehler muss in jedem Fall korrigiert werden. Es sei anzumerken, dass der ERC natürlich keine Entwicklungsfehler in der Schaltung erkennt. Wenn also an einer bestimmten Stelle ein Bauteil fehlt oder einen falschen Wert oder Namen hat, erkennt dies der ERC nicht.
Zum Leiterplattenlayout
Das Leiterplattenlayout und die damit verbundenen Themen wie Thermik, EMV, Fertigung und Bestückung, Qualität, Testumgebung, Service, Umweltschutz, usw. hat in den letzten Jahren an Komplexität sehr zugenommen, so dass nur auf bestimmte Schwerpunkte und Grundlagen hingewiesen wird. Es ist wesentlich schwieriger, ein vernünf- tiges Layout (oder auch Design) zu erstellen, als z.B. einfach nur einen Stromlaufplan abzuzeichnen. Da letzteres den Ursprung eines Projekts darstellt, wird es ohne einen ordentlich gezeichneten Stromlaufplan allerdings auch kein vernünftiges Layout geben können. Doch wie fängt man am besten damit an?
Technologie
Das obige Beispiel mit dem NE555 dient dazu, ein einseitiges Layout mit bedrahteten Bauteilen und ggf. auch Drahtbrücken zu erstellen. Die Schaltung soll ohne Gehäuse aber mit Abstandsbolzen und auf einer Leiterplatte von 1,75 x 1,5 inch Platz finden. Diese Vorgaben sind hier natürlich willkürlich, zeigen aber, worüber man sich im Klaren sein sollte:
• Technologie (einseitiges, doppelseitiges oder mehrlagen Layout)
• Bauteileformen und Größe (bedrahtet, SMD, Bauteileabmessungen)
• Mechanische Umgebung (Gehäuse, Zeichnung)
Platzierung spezieller Bauteile
Es folgen weitere Gedanken: Sind Bohrungen, Ausschnitte etc. notwendig, und wenn ja, wie groß sind diese? In unserem Beispiel werden Bohrungen für die Abstandsbolzen benötigt (d=3,2mm):
