ACSMD -77
Eine Fortsetzung des ACS-77 Artikels
Idee: Uhr mit smd Bauteilen
In 2019 kam mir die Idee, eine grundlegende Modifikation der ACS-77 Uhr durchzuführen. Alle Bauteile (bis auf den Z80,
das EPROM, RAM, Elkos, Taster und die 7-Segmentanzeigen) sollten als smd ausgeführt werden. Dazu musste ich die
Packages in Eagle auf die smd-Variante umstellen. Außerdem sollte die Empfängerschaltung mit dem TCA440 und dem RC4136
entfallen, dafür habe ich einen Standard DCF-Empfänger von verschiedenen Lieferanten (Pollin, Reichelt, HKW)
getestet und verwendet. Auch sollte es eine einheitliche, 12VDC Spannungsversorgung geben, so dass in diesem Fall auf
der Leiterplatte einen Spannungsregler mit dem L5970 zum Einsatz kommt. Da die Displays bei der Originaluhr mir ein
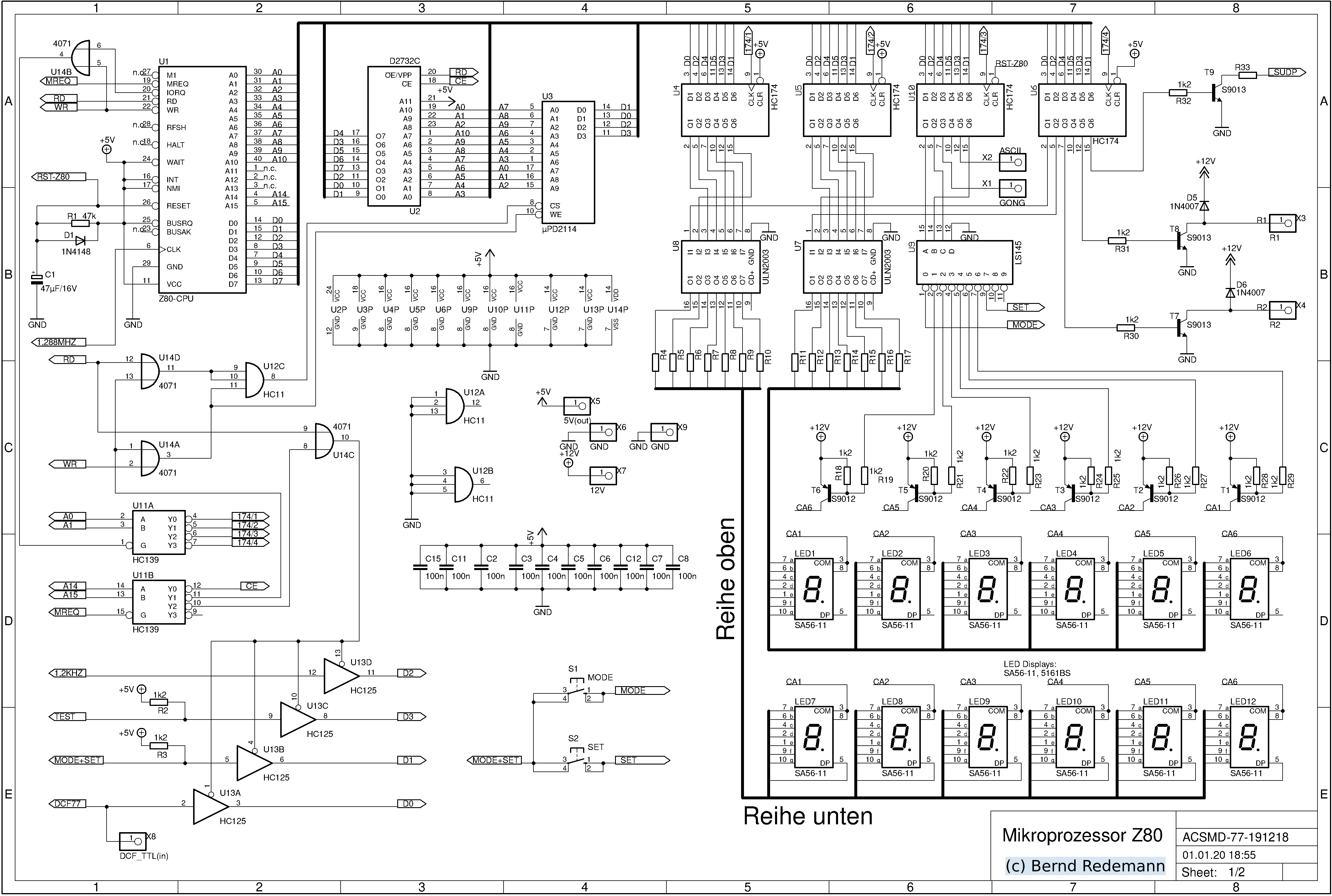
wenig zu kleine erschienen, habe ich auch gleich andere verwendet (SA56-11). Das Bild zeigt den geänderten Stromlaufplan:

Im Digitalteil sieht man keinen Unterschied, es hat sich nur die Baugröße der Bauteile geändert. Funktionell bleibt alles, wie in der ACS-77. Am "DCF77"-Eingang wird das DCF77 Modul angeschlossen, es wird ein positives 5V Signal dort benötigt (bei den alten Conradmodulen muss man da ggf. nachmessen!). Der Analogteil wurde entfernt (bis auf den Quarzoszillator mit dem 4040 für den Z80), hinzu kam der L5970 für die Erzeugung der 5V Spannungsversorgung:

Im Layout sieht man auf der Linken Seite die 6 Pins, u.a. wird hier die 12V Spannungsversorgung angechlossen. Weiter unten ist der Anschluss für das DCF-Modul (DCF_TTL in). Die Bauteile in rot sind die noch verbliebenen bedrahteten Bauteile.
Anfang 2020 war es dann soweit der erste Empfangstest dieser Variante was erfolgreich:
Das Projekt konnte 2020 abgeschlossen werden, auch diese Uhr läuft bis heute.
Alle Angaben ohne Gewähr