ACS-77 Clone
Beschreibungen des von mir entwickelten ACS-77 Clones (Reverseengineering)
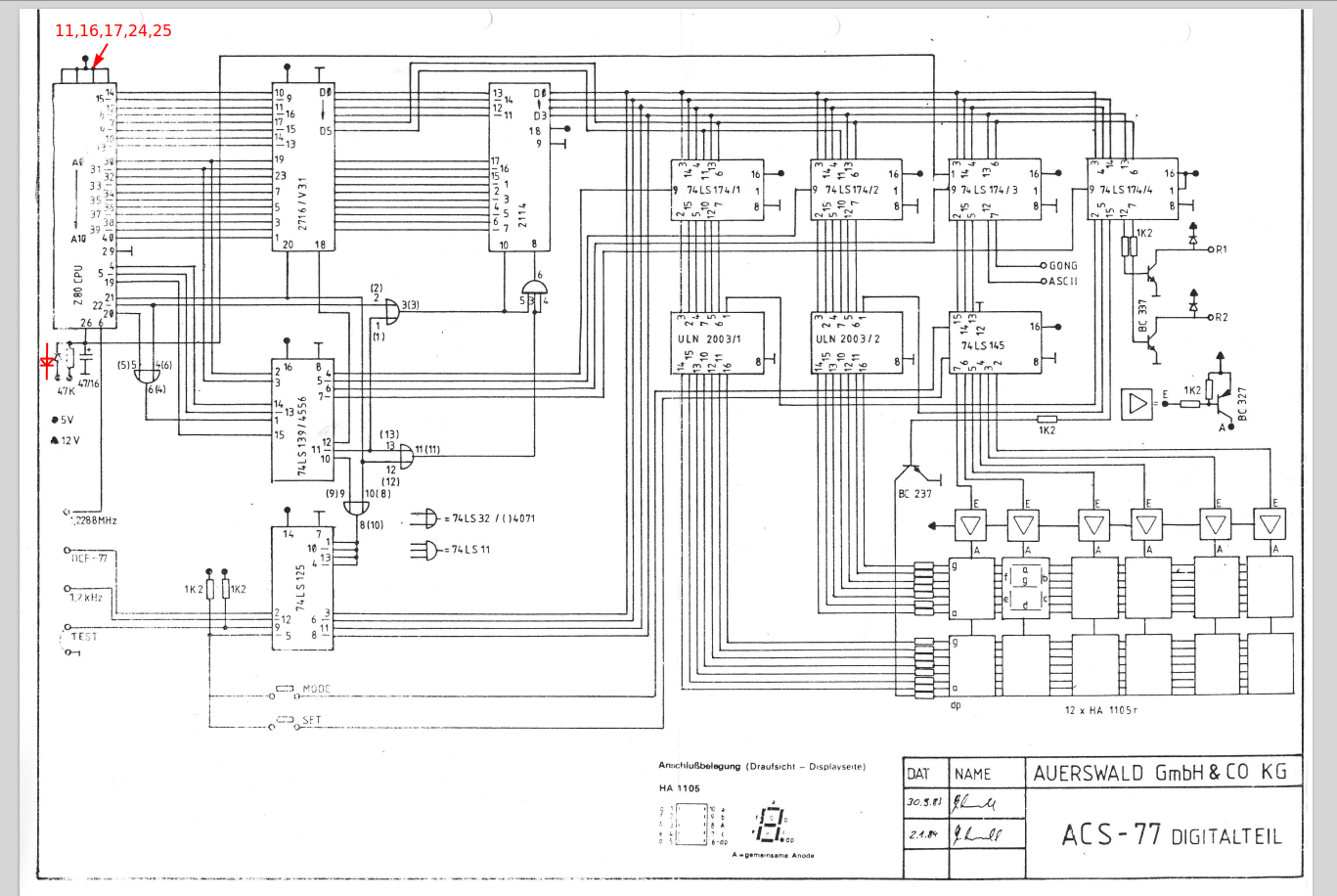
Diode 1N4148 am Z-80 (Pin26) ist falsch herum gezeichnet
Der Z-80 hat insgesamt 5 Anschlüsse (nicht 4), die an +5V gehen: Pin 11, 16, 17, 24 und 25.
Am EPROM 2732 ist auch der Pin 21 (A11) an +5V angeschlossen
An den ICs 74LS174/3 und /4 fehlt der Anschluss von Pin11 (D5 vom 2732). Alle vier 74LS174 sind mit Pin11 an D5 des 2732 verbunden.
An den ICs 74LS174/1 und /2 fehlt der Anschluss von Pin1. Auch bei diesen beiden ist der Pin1 an +5V angeschlossen, wie beim 74LS174/4. Beim 74LS174/3 ist Pin1 mit dem Reset des Z80 verbunden.
Es fehlen im Stromlaufplan die Blockkondensatoren 0,1µF für diverse ICs auf der Leiterplatte.
Der 74LS11 hat drei Gatter, wobei nur eins davon benutzt wird. Die unbenutzten Gattereingänge sollten auf ein definiertes Potential, z.B. Masse gelegt werden.
Durch Messung an den Pins und durch optische Überprüfung habe ich diese Fehler herausgefunden.- EPROM: 2732C (2 – 5€)
- RAM: μPD2114 (3 – 12€)
- Empfänger: XS7701 (TCA440, alternativ A244D oder K174XA2) (5 – 8€)
- CPU: Z80 A CPU (5 – 8€) Alle anderen Bauteile sind Standardbauteile und beschaffbar.
Vorabinformation und weitere interne Links
Im Jahr 2010 wollte ich meine Originaluhr ACS-77 wieder in Betrieb nehmen, sie lag leider einige Zeit im Schrank,
und nun sollte sie wieder das Licht der Welt erblicken. Dabei kam mir der Gedanke, sich die Schaltung und Platine genauer
anzuschauen. Die Unterlagen waren schon etwas vergilbt und so startete ich am Laptop die CAD Software Eagle und fing an,
die Schaltung nach und nach abzuzeichnen. Das dauerte eine Weile und ich stellte dann auch einige Fehler im Stromlaufplan
fest (siehe unten). Irgendwann startete ich dann mit dem Layout der Platine, bis ich schließlich eine erste Version vor mir
hatte und eine Leiterplatte (ja, in der Tat nur eine!) bestellte - nach dem Bestücken funktionierte die Uhr auf anhieb! Ich
war begeistert. So entwickelte sich dieses Projekt und meine dazu niedergeschriebenen Unterlagen.
Die ursprüngliche Bedienungsanleitung der Uhr:
Die hex-Datei (V3.1) des 2732 kann man hier herunterladen:
Die hex-Datei (V9.1) des 2732 kann man hier herunterladen:
Probleme mit der alten Uhr? Kontaktieren Sie mich einfach zwecks Beratung oder Reparatur:
ACS77 – Renkforce (Bau eines Clones)
Veröffentlicht und bearbeitet 2011-2026 von Bernd Redemann / Alle Angaben ohne Gewähr
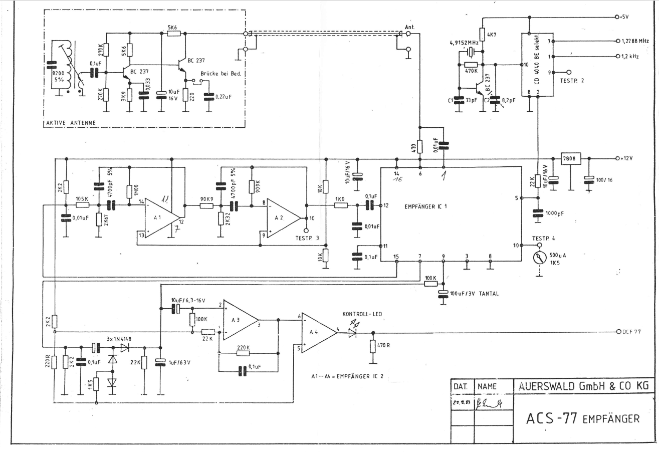
Vor vielen, vielen Jahren, etwa im Jahr 1985, erschien bei Völkner die o.g. Funkuhr, die nun praktisch Kultstatus erreicht hat. Die Uhr ist mit bedrahteten Bauteilen bestückt, u.a. wurde der damals sehr moderne Z-80 A Mikroprozessor eingesetzt. Neben den zwölf 7-Segment-Anzeigen (HA1103) befindet sich auf der Leiterplatte ein aus einzelnen Bauteilen aufgebauter DCF-77 Empfänger mit dem TCA440 (XS7701).

Grobes Funktionsprinzip der Schaltung
Als Spannungsversorgung wird neben der 5V für die Digitalelektronik auch eine 12V Spannung benötigt. Durch den relativ
hohen Stromverbrauch im 5V Bereich (fast alles LS-TTL Bauteile im Original) wurde kein 5V Spannungsregler auf dem Board verbaut,
da dieser sehr warm wird. Dieser 5V (7805) und auch der 12V (7812) Regler befinden sich im Original auf der Trafoplatine. Die 12V
werden zum Einen für die Displays verwendet, außerdem ist ein 7808 Regler vorhanden, der die Spannungsversorgung für den
Analogteil (TCA440 und RC4136) zur Verfügung stellt.
Die Taktfrequenz für den Z80 wird mit einem Quarzoszillator auf Basis eines Transistors mit einem 4,9152MHz Quarz und eines
Binärteilers (4040) erzeugt. Die Frequenz für den Z80 beträgt 4,9152MHz / 22 = 1,2288MHz (Ausgang Q2 vom 4040). Es wird zudem
ein 1,2Khz Takt (4,9152MHz / 212 = 1,2kHz, Q12) und ein 76,8kHz Takt (4,9152MHz / 26 = 76,8kHz, Q6) für den internen Oszillator
des TCA440 (Pin 5) erzeugt.
Der Mischer im TCA440 mischt das empfangene DCF Signal (Pin1, 77,5kHz) mit dem Taktsignal vom 4040 (Pin Q6, 76,8kHz). Die daraus
resultierende Zwischenfrequenz (IF, ZF, 700Hz) des Mischers (Pin 15) wird über zwei Bandpassfilter (A1, A2 im Original) an die
internen Verstärkerstufen des TCA440 weitergeleitet. Die Zwischenfrequenz (Ausgang Pin 7) wird über einen Demodulator (Diodenkonstruktion),
einen Tiefpass 1. Ordnung (A3) und im Anschluss daran zum Komparator A4 geleitet, so dass bei guten Empfang die Leuchtdiode (DCF)
im Sekundentakt zu blinken beginnt.
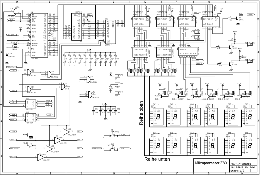
Die Z80 CPU, das EPROM 2716 (oder 2732, 27C256) und das RAM 2114 ist die typische Mikroprozessoreinheit, die in den 80er Jahren zu
finden war. Im EPROM ist das Programm zu finden, welches vom Z80 ausgeführt wird. Dazu sind die Adress- und Datenleitungen notwendig.
Der Z80 besitzt einen Programmzähler, der von Adresse zu Adresse springt und die Kommandos, die in der jeweiligen Adresse hinterlegt,
ausführt. Die Datenleitungen werden in geeigneter Weise (über die D-Flip Flops HCT174 und die 2 zu 4 Line-Dekoder HCT139) auch zur
Ansteuerung der Anzeigen verwendet. Dies ist insofern besonders, da keine PIO, wie z.B. ein 8255 hier Verwendung findet. Heutzutage
würde für diesen Aufbau eine einziger Mikrocontroller, z.B. eine Atmega32 ausreichen.
Die Ansteuerung der LED-Display erfolgt über zwei Treiberbausteine ULN2003 (jeweils einer für eine Reihe), welche die Kathoden der
Anzeigen steuert. Die Anoden werden über PNP-Transistoren BC327 gesteuert.
Die Tasten „mode“ und „set“ bieten Programmiermöglichkeiten, z.B. als Wecker. Mittels zweier Ausgänge R1 und R2 kann man z.B. Relais
schalten, die dann entsprechend z.B. ein Radio oder die Kaffeemaschine einschalten. Die oberen sechs 7-Segmentdisplays zeigen die
Uhrzeit an, die untere Reihe das Datum.

Da die Uhr neben den 12V für die Displays auch noch eine extra 5V Spannungsversorgung benötigt, kann man im einfachsten Fall ein 15V (DC) Steckernetzteil verwenden und folgende Schaltung aufbauen:

Messung der Taktfrequenzen am 4040

Reverse Engineering
Am obigen ersten Bild sieht man schon: An der Uhr wurde herum gelötet, die 7-Segment Anzeigen und Treibertransistoren fehlen u.a. .
Nicht nur deshalb kam ich auf die Idee, mir die Schaltung etwas genauer anzuschauen und ein Reverse-Engineering durchzuführen.
Es stellte sich dann auch heraus, dass der Originalschaltplan (Version vom 29.9.1983 und 2.4.1984) nicht vollständig ist bzw. teilweise
Fehler enthält. Diese sind insbesondere:
Originale Stromlaufpläne

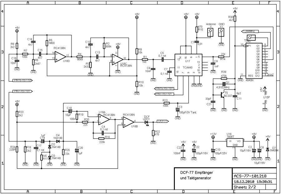
Der Clone
Nach all den Messungen ergibt sich der Stromlaufplan in Eagle wie folgt:


Aufbau des ACS-77 Clones ----- Start des Projekts: 13.11.2010, Abschluss: 2011
Eigentlich lohnt sich der Nachbau dieser Uhr überhaupt nicht, da die Kosten der Leiterplatte
und der abgekündigten Bauteile enorm sind (aber sicher noch preiswerter als der Originalpreis).
Dennoch wagte ich das Experiment und ließ eine doppelseitige Leiterplatte fertigen. Die Bauteile bezog
ich u.a. von segor.de, kessler-electronics.de und hinkel-elektronik.de. Die Widerstände der R96er Reihe
bekommt man von Kessler im 10er Pack, bei Segor gibt es u.a. die 7-Segment Anzeigen und bei Hinkel das RAM.
Lieferantenliste (ggf. unvollständig, ohne Gewähr!)
Quelle ebay (die Preise in 2022 teilweise stark erhöht!):
Vergleich „alt-neu“
Die folgenden Bilder zeigen zunächst die gelieferte Leiterplatte (erste Version) und den Vergleich „alt-neu“:
Ein wesentlicher Unterschied zum Original ist das Verwenden von IC-Fassungen, nicht nur für die ICs sondern
auch für die 7-Segment Anzeigen. Auch werden anstelle der 74LS TTL-Bausteine die stromsparende CMOS-Variante 74HCT eingesetzt.
Ausnahme ist der 74LS145, da dieser Open-Kollektor Ausgänge hat, gibt es diesen nicht als CMOS. Die beiden Taster „Mode“
und „Set“ werden auf höhere Buchsenleisten gesteckt.
Zunächst werden alle flachen Bauteile wie Widerstände, Dioden, der Quarz und die IC-Sockel angelötet. Dann folgen die
kleinen Kondensatoren (keramisch), der Spannungsregler, die MKS-Kondensatoren, die Transistoren und die Elkos.
Messungen
Bevor die ICs und die Anzeigen eingesetzt werden, wird zunächst mit einem Multimeter überprüft, ob die Spannungen an den
IC-Sockeln alle o.k. sind, z.B. zwischen Pin14 und Pin 7 des 74HCT11. Auch wird nachgemessen, ob der 8V Spannungsregler
seinen Dienst tut. An den linken Lötaugen werden die +5V und +12V vom Netzteil eingespeist. An den farblich markierten
Punkten werden dann mit einem Multimeter die Spannungen nachgemessen. Schwarz: GND; Rot: +5V; Orange: +12V; Braun: +8V
Wenn die markierten Spannungen vorhanden sind, können im Anschluss daran die ICs und die Displays eingesteckt werden.


Im Anschluss kann zunächst ein Funktionstest durchgeführt werden. Nach Anlegen der +12V und +5V erscheint im Display oben „ACS-77“, was darauf hindeutet, dass das Programm im EPROM funktioniert. Hier das Resultat nach dem Einschalten:

Der nächste Schritt besteht darin, eine zweite Leiterplatte (Lochraster) zu montieren, welche die beiden Spannungsregler und ggf. auch die Relais etc. beinhaltet. Durch Stift- und Buchsenleisten werden die beiden Leiterplatten verbunden und mittels Abstandbolzen befestigt. An der Linken Seite (von vorne betrachtet) wird eine 5,5mm Hohlbuchse angelötet, die Versorgung der Uhr erfolgt dann über ein 15V (DC) Steckernetzteil.
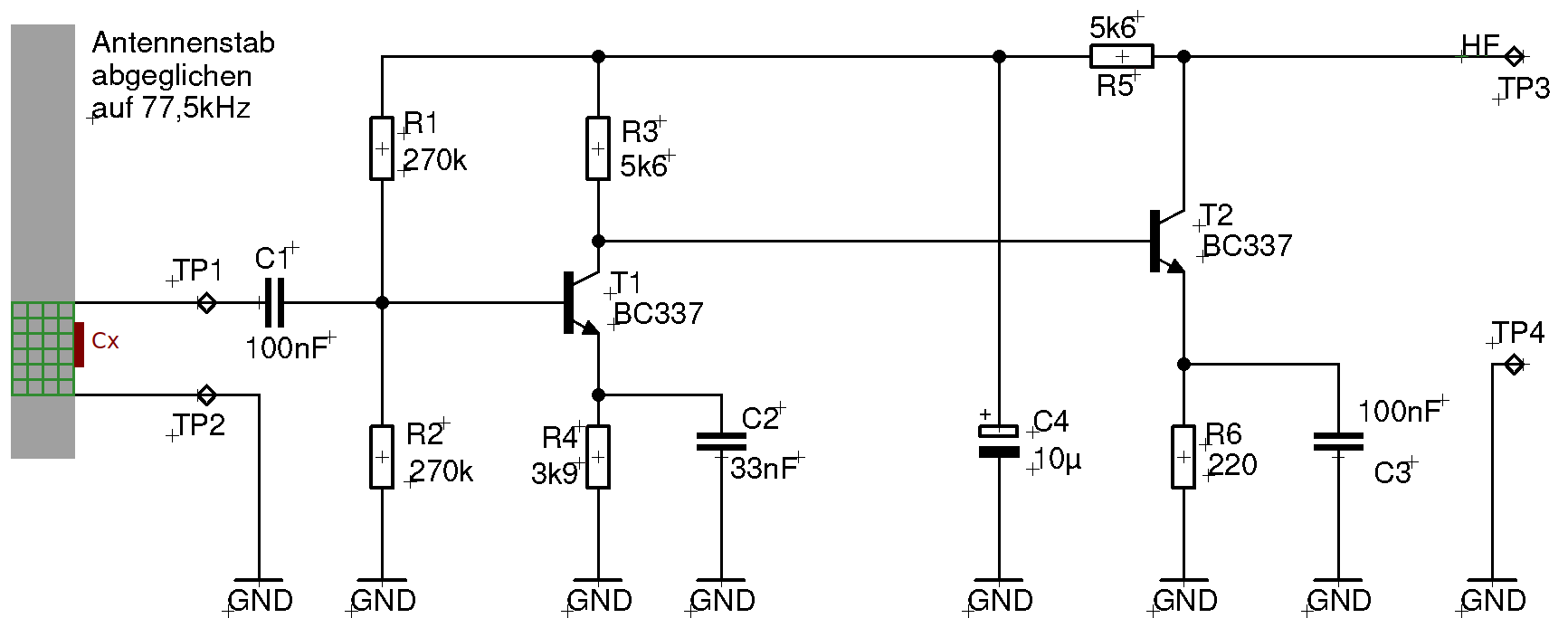
Self-made Antenne
Für die neue Uhrenleiterplatte musste auch eine neue Antenne her, dazu habe ich vom Original die Schaltung gezeichnet und danach aufgebaut. So sieht meine Originalantenne aus (bei anderen ist die Leiterplatte ggf. größer):
Die Self-made Antenne besteht aus dem Mittelwellenantennenstab (sollte möglichst lang sein) inkl. Spule eines alten
Uhrenradios vom Flohmarkt (2 €). Diese muss dann mittels Kondensator auf 77,5kHz abgestimmt werden. Zur Abstimmung musste
ich die Kapazütät durch die Parallelschaltung von zwei Kondensators realisieren. Bei der Antenne kommen somit ein 4n7 und
2n2 und bei der ersten Transistorstufe ein 10nF und 22nF zum Einsatz, alles aus dem Uhrenradio entnommen.
Bei der zweiten Transistorstufe wird ebenfalls ein 20nF (203 = 20 * 103 pF) eingesetzt. Bei der Spule muss darauf geachtet werden, dass man die große und kleine Wicklung richtig anschließt. Ob die Farbkombination weiß-schwarz für die große und grün-rot für die kleine Wicklung immer gegeben ist, kann leider nicht 100% gesagt werden.
Die geschirmte graue Leitung auf dem Bild wurde einem alten PC-Mikrofon entrissen. Die Antenne wird mit Kunststoffhaltern auf einer kleinen Platinen befestigt:


Da die Abstimmung mit einem Antennenstab doch nicht ganz so einfach erscheint (Methode Versuch und Fehler (trial and error), kann man auch eine Rundstabantenne z.B. vom HKW Elektronik Shop verwenden. Diese ist auf 77,5kHz bereits abgestimmt und besitzt daher nur zwei Anschlüsse, die in der unten abgebildeten Skizze an TP1 und TP2 angeschlossen werden müssen. Der guter Empfang mit solch einem Antennenstab ist dann auch in jedem Fall gewährleistet. Der 2,2nF / 4,7nF Kondensator entfällt dann. Die dazugehörigen Bauteile vom Originalschaltplan sind Standardteile und somit überall zu bekommen.

Der Empfangstest
Der Empfang sowohl mit der Selfmade als auch mit der "HKW" Antenne ist wirklich gut. Nach kurzer Zeit wird die Uhrzeit und das Datum angezeigt. Das Projekt konnte am 01.02.2011 abgeschlossen werden:

Alternative Antenne (Reichelt Modul, Stand Oktober 2019)
Da es teilweise sehr schwierig (und teuer!) ist, die ICs, speziell den TCA440 mit den dazugehörigen speziellen Widerständen zu bekommen und weil es doch nicht ganz leicht ist, die Antenne funktionsfähig nachzubauen bietet sich eine Alternativ in Form eines fertigen Moduls, in dem Fall von Reichelt an. Dieses erzeugt bereits die Pulse, mit der die Uhr getaktet werden kann (Der DCF Eingang benötigt 5V TTL Level und positive DCF Pulse).
Dabei entfällt komplett der Teil mit dem TCA40 und RC4136, diese werden nicht benötigt, d.h. diese beiden ICs sind dabei nicht bestückt. Auch der 7808 kann entfallen. Nun wird im unteren rechten Bereich der Leiterplatte (siehe Bild) beim 470 Ohm Widerstand das untere Beinchen ausgelötet. Dieses ausgelötete Beinchen ist der DCF Eingang für die Uhr, welche mit dem Ausgang des DCF Moduls verbunden wird (positive DCF-Pulse, TTL Level). Die +5V für das Modul werden vom 4,7kOhm Widerstand abgegriffen. Das Bild zeigt die Anschlüsse:

Stückliste nach Werten

Stückliste nach Bauteilen Alle Angaben ohne Gewähr