Bluetoothmodul für M9803 Digitalmultimeter
Dieses sehr alte Projekt stammt aus den Jahren 2009 - 2015, das Bluetoothmodul BTM222 und auch das Tischmultimeter gibt es schon lange nicht mehr auf dem Markt. Es gab dazu mir mir zwei Versionen, die beide hier beschrieben werden.
Umbau des Tischmultimeters M9803 mit Bluetooth1 / Version 1.0
Achtung! Unbedingt lesen! Bei Schäden, die durch Nichtbeachten der Anleitung verursacht werden, wird keinerlei Haftung übernommen. Bevor Sie das Multimeter umbauen, bitte sorgfältig diese Anleitung durchlesen! Vor Umbau des Geräts Netzstecker ziehen!
1: eingetragenes Warenzeichen der Bluetooth SIG, www.bluetooth.org
Allgemeine Hinweise
Durch den Umbau, speziell das Anlöten eines Steckers auf einen der inneren Leiterplatten des Multimeters erlischt die Garantie des Herstellers! Für den Umbau sollten Sie sehr gute Kenntnisse in der Elektronik und Erfahrung im Löten haben. Gehen Sie bitte Schritt für Schritt durch die Anleitung, nur so wird dieser Umbau erfolgreich sein. Elektronische Kleinteile gehören nicht in Kinderhände! Für Schäden aller Art, die durch irgendetwas verursacht werden, übernehme ich keinerlei Haftung.
Sicherheitshinweise
Ziehen sie unbedingt vor Umbau den Netzstecker des Multimeters, sonst besteht die Gefahr eines lebensgefährlichen, elektrischen Schlages! Bitte beachten Sie die VDE Sicherheitsvorschriften und -hinweise zu elektrischen Geräten und spezielle die Sicherheitshinweise des Herstellers. Beim Arbeiten mit dem fertigen Modul ist zu beachten, dass die Anschlusspins etwas scharfkantig sind und somit bei unsachgemäßer Handhabung leichte Verletzungen verursachen können.
Verwendung des BT-9803-Moduls
Das BT9803-SMD-Modul dient als Bluetooth 1 -Schnittstelle für das Tischmultimeter M9803R (verschiedene Herstellerbezeichnungen). Das Modul wird mit einer Gleichspannung von 9V direkt aus dem Multimeter betrieben. Das Modul ist nur für die Verwendung in trockenen Räumen gedacht, ein anderer Einsatz als angegeben ist nicht zulässig. Ein Anschluss an das 220VAC-Hausnetz ist unzulässig, in diesem Fall wird das Modul zerstört, außerdem besteht Lebensgefahr! Für alle Schäden, sei es Personen oder Sachschäden, die aus nicht bestimungsgemäßer Verwendung resultieren, übernimmt der Betreiber die Verantwortung.
Technische Daten:
Betriebsspannung: 9 V DC
Ruhestromaufnahme (bei 9V): ca. 70mA
Modulabmessungen (B x H x T): 53mm x 19mm x 33mm
Diverse weitere Eigenschaften des BTM-222 sind auf
rayson finden: www.rayson.com
Internetseite des Hersteller
Alle Angaben ohne Gewähr. Änderungen vorbehalten.
© 2009 -2015 Bernd Redemann
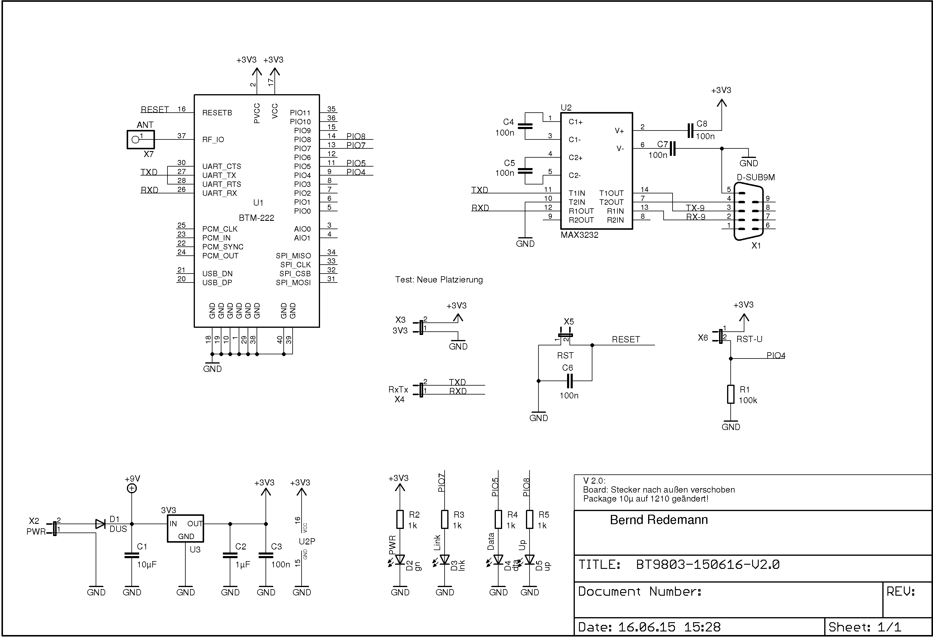
Stromlaufplan:
Schaltungsidee / Verdrahtung mit dem Modul
Die Idee des Umbaus besteht darin, dass man eine fertige, mit dem BTM222 bestückte Leiterplatte auf die vorhandene RS232 Buchse steckt und mit einem Kippschalter die Betriebsspannung für das Modul einschaltet. Damit kann das Multimeter über Bluetooth seine Messdaten übermitteln. Die Versorgungsspannung wird von der einzulötenden Stiftleiste „VDD VSS“ entnommen. Will man mit einem seriellen Kabel wiederum arbeiten, so schaltet man mit dem Kippschalter die Spannungsversorgung wieder aus. Es handelt sich also größtenteils um ein Hardware-Projekt. Um die Messdaten von Multimetern zu übermitteln, ist die Verkabelung mittels RS232 oder USB teilweise störend oder nicht erwünscht. Das Bluetoothmodul BTM-222 bietet sich daher an, zumindest für die Multimeter mit RS232-Schnittstelle einen Kabelersatz zu schaffen. Beispielhaft soll hier das Multimeter M9803R für diesen Umbau herangezogen werden.
Umbau des Multimeters
Der Umbau besteht aus zwei Schritten, die hier genau beschrieben werden. Zum einen muss das Multimeter umgebaut werden, zum anderen muss die Bluetooth Leiterplatte bestückt und angeschlossen werden. Die Konfiguration des BTM222 ist notwendig. Die
Parameter lauten 9600 Baud, 8N1.
Anlöten der 2-poligen Stiftleiste und mechanischer Umbau
Zunächst muss das Multimeter aufgeschraubt, und die Leiterplatte M9803-1, die sich vor den Batteriefächern befindet, ausgebaut werden. Dann wird unterhalb der Dioden D107/D108 der 2-polige Stecker des Leiterplattenverbinders so angelötet, dass das schwarze Kabel an VSS und das braune Kabel an VDD verbunden ist. Dies ist unbedingt einzuhalten, siehe dazu die nächsten Abbildungen, die die einzelnen Schritte zeigen:
Schritt 1: Netzstecker ziehen!
Schritt 2: Gerät öffnen

Nach erfolgtem Anlöten des Steckers wird die Leiterplatte wieder angeschraubt.
Schritt 2: Bohrung Rückwand für Umschalter
Als nächstes wird an der Rückwand mittig über dem Netzschalter eine Bohrung von 5,0mm für den Kippschalter gebohrt. Anschließend werden die Leitungen des Leiterplattenverbinders und die Verbindung Kippschalter (Mitte) ↔ RS232-Buchse angelötet, der Kippschalter eingebaut und mit der Mutter festgeschraubt:
Schritt 3: Anlöten des Schalters an die RS232-Buchse
Nun wird der Kippschalter an Pin 9 (+) und 8 (-) der RS232 Buchse angeschlossen (siehe Bilden oben rechts).
Schritt 4: Testen der Anschlussbelegung
Als nächstes muss unbedingt überprüft werden, ob das Ein- und Ausschalten der Betriebsspannung an der RS232-Buchse funktioniert und ob die Polarität richtig ist. Dazu wird ein weiteres, kleines Multimeter benötigt, welches die Spannung im ein- und ausgeschaltetem Zustand an den Pins 8/9 der RS232-Buchse misst. Der eingebaute Kippschalter ist zunächst in der linken Position („B“, RS232-Betrieb). An der RS232-Buchse wird die rote Messleitung an Pin 9, die schwarze an Pin 8 angeschlossen („A“). Das M9803 wird nun eingeschaltet (Frontschalter), das Handmessgerät sollte nun 0V anzeigen.
Wird der Kippschalter nun in die rechte Position gestellt, sollte die Ausgangsspannung von ca. +9V angezeigt werden. Damit sind die Umbauarbeiten am Tischmultimeter M9803 abgeschlossen. Das Gerät kann nun wieder verschlossen werden.
Schritt 5: Bestücken der Leiterplatte für das BTM-222
Nun wird die Leiterplatte* für das Bluetoothmodul bestückt. Zunächst wird das BTM222 an einer Ecke angelötet und ausgerichtet. Nach dem Ausrichten folgt die diagonal gegenüberliegende Ecke. Dann werden die restlichen Pins angelötet.
Anschließend werden die Drahtbrücken gebogen und angelötet.
Nun folgen die kleinen und flachen Bauteile, also die 100nF Kondensatoren, der Widerstand und die IC-Fassung.
Die Elkos und der Spannungsregler LE33CZ werden danach angelötet.
Nachdem die Stiftleisten angelötet wurden, erfolgt zunächst die Montage des D-Sub Steckers. Dieser wird mit Abstandsbolzen montiert, anschließend werden die Pins des Stecker angelötet. Das fertige Modul sieht nun wie folgt aus:
(Prototyp)
Schritt 6: BTM-222 Konfigurieren
Als nächstes muss das fertige Modul konfiguriert werden. atn=BT9803 // Neuer sinnvoller Name atl1 //9600bps Dazu wird ein Adapter aus einem D-SUB 9 m/w zusammengelötet (siehe unten). Nach dem Einschalten der Betriebsspannung für das BT9803-Modul wird über den PC (Nullmodemkabel) das Modul wie oben angeben konfiguriert. Nach erfolgter Konfiguration kann nun das Modul auf die RS232-Buchse des M9803 gesteckt, und in Betrieb genommen werden:
Adapterkabel zum Konfigurieren Modul angesteckt am DMM
Test der Bluetoothverbindung etc. auf dem PC
Es hat sich herausgestellt, dass nur die Originalsoftware DMM Version 1.1 unter Windows vernünftig funktioniert. Unter Linux kann die Opensource Software QTDMM verwendet werden.
Umbau des Tischmultimeters M9803 mit Bluetooth1 / Version 2.0
In der zweiten Version wird die Leiterplatte mit einer DSUB-Buchse ausgestattet und direkt ins Gerät montiert. Dies ist die elegantere und professionellere Lösung.
Schritt 1: Bestücken der Bluetooth Leiterplatte und Einbau in das Gerät
Die Leiterplatte wird nach Bestückungsplan bestückt. Zuerst werden alle kleinen Bauteile anglötet (Rs, Cs), dann die ICs, das Bluetoothmodul und am Ende der 9-polige D-SUB Steckverbinder und die Leitung für die Spannungsversorgung. Beim Bluetoothmodul müssen nicht alle Pins angelötet werden.
Im Inneren des Gehäuses müssen dann noch die Aussparungen mit einem Cuttermesser vergrößert werden. Die D-SUB Buchse wird entfernt:
Wird die äußere blaue LED eingesetzt, so muss auch ein Loch in die Abdeckplatte gebohrt werden (vorher ausmessen!):

Vor Anschluss des Moduls muss das BTM 222 konfiguriert werden, und zwar über die RS232 Schnittstelle. Man verwendet dazu ein USB-RS232 Adapterkabel und startet auf dem PC ein Terminalprogramm (Hterm etc.). Die Konfiguration (AT-Kommando) lautet dann wie folgt:
atn=BT9803
// Neuer sinnvoller Name
atl1
//9600bps
Im Anschluss daran kann getestet werden, ob der PC oder ein Smartphone das Bluetoothmodul erkennt und eine Verbindung hergestellt werden kann. Als Software kann die Originalsoftware des Herstellers oder auch QtDMM eingesetzt werden.
Die Eagledateien für die Version 2 kann man hier herunterladen: 2017-06BT9803R-Bluetooth (57.7 KB)
